이메일 보내기
제품
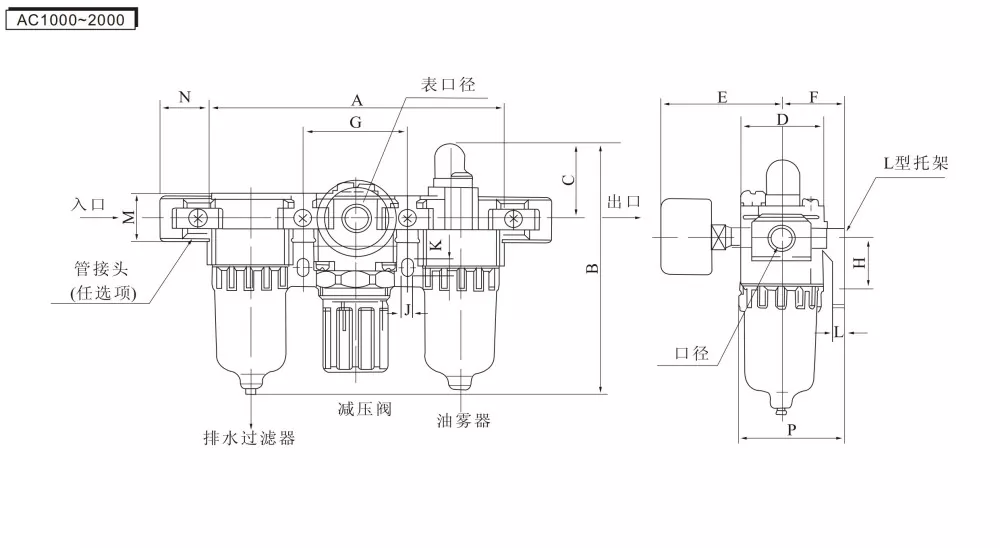
SMC 유형 AC FRL 장치
  • SMC 유형 AC FRL 장치SMC 유형 AC FRL 장치
  • SMC 유형 AC FRL 장치SMC 유형 AC FRL 장치
  • SMC 유형 AC FRL 장치SMC 유형 AC FRL 장치

SMC 유형 AC FRL 장치

Model:AC2000-02
SMC 유형 AC FRL 장치(필터-조절기-윤활 장치)는 공기 공급원 여과, 압력 감소 및 조절, 윤활 처리를 통합하는 공압 기본 구성 요소입니다. 공압 시스템에 깨끗하고 안정적이며 윤활된 압축 공기를 제공하여 공압 구성품의 수명을 연장하고 시스템 안정성을 향상시킵니다. OLK AC 시리즈 FRL 장치는 현대 공압 시스템의 필수적인 "보호자" 역할을 합니다.
  • Brand:

    OLK
  • Type:

    SMC TYPE AC SERIES
  • Port size:

    PT1/8 ; PT1/4 ; PT3/8 ; PT1/2 ; PT3/4 ; PT1
  • Filter Material:

    Copper filter

SMC 유형 AC FRL 장치 기능 및 디자인:

자동 잠금 조정: 압력 자동 잠금 메커니즘이 특징입니다. 원하는 압력이 설정되면 손잡이를 아래로 밀어 잠그기만 하면 됩니다. 이는 외부 진동이나 우발적인 접촉으로 인해 설정 압력이 변경되는 것을 방지합니다.

다목적 배수: 다양한 작동 조건에 맞게 수동 배수 및 자동 배수 옵션을 모두 사용할 수 있습니다. 투명한 그릇을 사용하면 수위를 쉽게 모니터링할 수 있습니다.

고정밀 게이지: 명확하고 정확한 판독값과 시스템 압력의 실시간 모니터링을 위한 고정밀 압력 게이지가 장착되어 있습니다.

SMC 유형 AC FRL 장치 공지사항:

흐름 방향 확인: 설치하기 전에 공기 흐름 방향을 확인하십시오! 밸브 본체 상단에 흐름 방향 표시(화살표 또는 IN/OUT)가 있습니다. 설치 시 다음 표시를 엄격히 따르십시오. 반대로 설치하면 오작동이나 누액의 원인이 됩니다.

정기 관리 : 정기적으로 그릇 안의 물 수위를 확인하고 수동 배수 방식을 사용할 경우 배수하십시오. 윤활유가 부족하면 보충하십시오(ISO VG32 터빈 오일 권장).

SMC 유형 AC FRL 단위 기호:

주문 코드

교류

2000

-

02

-

D

시리즈 코드

쉘 크기

 

포트 크기:

 

배수 방법

AC:SMC형 AC FRL 유닛

1000

 

M5:M5

 

공백:수동 배수

 

2000

 

02:1/4

 

A:차압 드레인

 

3000

 

03:3/8

 

D:자동 배수

 

4000

 

04:1/2

 

 

 

5000

 

06:3/4

 

 

 

 

 

10:1

 

 

 

내압

1.5MPa(15.3kgf/cm²)

최대 작동 압력

1.0Mpa(10.2kgf/cm²)

환경 및 유체온도

5-60℃

필터 조리개

5μm

기름

ISOVG32

컵 재료

PC

컵후드

AC1000-2000(없음) AC3000-5000(있음)

압력 조절 범위

AC1000:0.05-0.7Mpa(0.51-7.1kgf/cm²)

AC2000-5000:0.05-0.085Mpa(0.51-8.7kgf/cm²)

압력계 오리피스 시리즈


2000 시리즈

3000 시리즈

4000 시리즈

5000 시리즈

AW

1/8

1/4

교류

BR

1/4

-

BFC

-

SMC 유형 AC FRL 장치의 설치 단계:

먼저, PTFE 테이프를 감싼 조인트와 압력 게이지를 설치합니다.

2. 화살표 방향을 따르십시오. 왼쪽은 공기 흡입구이고 오른쪽은 공기 배출구입니다.

3. 공기 튜브를 양쪽 끝의 각 피팅에 연결합니다.

4. 압력 조절 너트를 위쪽으로 들어 올리고 회전시켜 압력을 조절합니다. 시계 방향으로 돌리면 공기 흐름이 증가하고 시계 반대 방향으로 돌리면 공기 흐름이 감소합니다.

5. 원하는 공기압으로 조정한 다음 조정 너트를 아래쪽으로 눌러 공기를 잠급니다.

6. 연료가 필요할 경우 오일러의 나사를 풀어줍니다.

7. 공압 유지보수 오일 또는 터빈 오일을 오일 주입구에 붓습니다(공압 오일이 컵에 표시된 오일 레벨 선을 초과하지 않는지 확인하십시오).

8. 공압오일을 채운 후 육각 렌치로 너트를 조여줍니다.

9. 회전을 통해 오일 공급량을 조정합니다. 시계 방향으로 돌리면 오일 흐름이 증가하고, 시계 반대 방향으로 돌리면 감소합니다.


배수 유형

작동 원리

응용환경

장점

단점

수동 배수

필터볼에 쌓인 물은 일정한 간격으로 배수 밸브를 손으로 돌리거나 누르면서 배출됩니다. 배수가 완료되었는지 여부는 전적으로 수동 작업에 달려 있습니다.

배수가 자주 필요하지 않은 간단한 시스템 또는 응용 분야.

구조가 간단하고 고장률이 낮으며, 추가 유지보수가 필요하지 않습니다.

수동 작업에 의존합니다. 배수를 잊어버리기 쉽습니다. 과도한 물 축적은 여과 성능에 영향을 미칠 수 있습니다.

차압 배수

필터 전후의 압력차를 이용합니다. 응축수 축적이 증가하고 압력차가 사전 설정된 값에 도달하면 배수구가 자동으로 열립니다. 압력차가 정상으로 돌아오면 다시 닫힙니다. 공기압과 유량이 있을 때만 작동합니다.

안정적인 공기 공급과 간단한 작동 조건으로 수동 조작이 불편한 환경.

전원 공급 장치가 필요하지 않습니다. 수동 배수보다 더 안정적인 자동 배수.

안정적인 공기압이 필요합니다. 장기간 가동을 중단하거나 압력 차이가 없는 경우 배수 성능이 제한됩니다.

자동 배수

플로트 메커니즘이나 타이머를 사용합니다. 응축수가 일정 수준에 도달하면 배수구가 자동으로 열립니다.

압축 공기 품질 요구 사항이 높은 자동화된 생산 라인 및 시스템.

가장 시기적절하고 안정적인 배수 성능.

상대적으로 비용이 높습니다.


AFQ:

AC FRL이라고 불리는 이유는 무엇입니까?

AF(에어 필터) + AR(압력 조절 밸브) + AL(오일 미스트 루브리케이터) = AC 트리플 유닛


권장 연결 방법

공기 압축기 - 공기 소스 프로세서 - 제어 구성 요소 - 액추에이터


플라스틱 컵 보호 커버가 자주 쉽게 부러지는 경우 어떻게 해야 하나요?

일부 고객은 플라스틱 컵이 압력 때문이 아니라 재질 때문에 깨지는 경우를 종종 발견합니다. 플라스틱 컵은 특정 환경에 대한 저항력이 없으므로 특정 조건에서는 금속 컵이 더 나은 대안이 됩니다.


솔레노이드 밸브 실린더의 수명을 연장하는 방법은 무엇입니까?

필터를 사용하면 공기 중의 수분과 불순물을 제거하여 피스톤과 밀봉 링의 마찰 손상을 효과적으로 줄일 수 있습니다. 윤활 장치를 사용하여 터빈 오일을 추가할 수 있으며, 터빈 오일은 공기에 의해 운반되어 실린더 피스톤과 밀봉 링에 윤활유를 공급합니다. 압력 조절기로 흡입 공기압을 조절할 수 있어 작업 효율이 더욱 향상됩니다.


OLK용 필터엘리먼트의 재질은 무엇입니까?

OLK는 여과 정확도가 25μm인 구리 필터 요소를 사용하는 반면, 일반 섬유 필터 요소는 정확도가 5μm에 불과합니다. 고정밀 필터 요소는 가스에서 불순물과 습기를 효과적으로 제거하여 출력 공기를 건조하고 오염 물질이 없도록 보장합니다.


핫 태그: SMC 유형 AC FRL 장치, 중국, 제조업체, 공급업체, 공장
문의 보내기
연락처 정보
저희 웹사이트에 오신 것을 환영합니다! 제품이나 가격표에 대한 문의사항은 이메일을 남겨주시면 24시간 이내에 연락드리겠습니다.
이메일
cici@olkptc.com
전화
86-0577 57178620
이동하는
+86-13736765213
주소
Zhengtai Road, Xinguang Industrial Zone, Liushi, Yueqing, Wenzhou, Zhejiang, China.
X
당사는 귀하에게 더 나은 탐색 경험을 제공하고, 사이트 트래픽을 분석하고, 콘텐츠를 개인화하기 위해 쿠키를 사용합니다. 이 사이트를 이용함으로써 귀하는 당사의 쿠키 사용에 동의하게 됩니다. 개인 정보 보호 정책
거부하다 수용하다